주요사업
Menu
메일문의 : keng7@daum.net
전화 상담
042-621-0310
HOME > 주요사업
주요사업
[ 정보통신공사 ]
방송설비
CCTV설비
주차관제설비
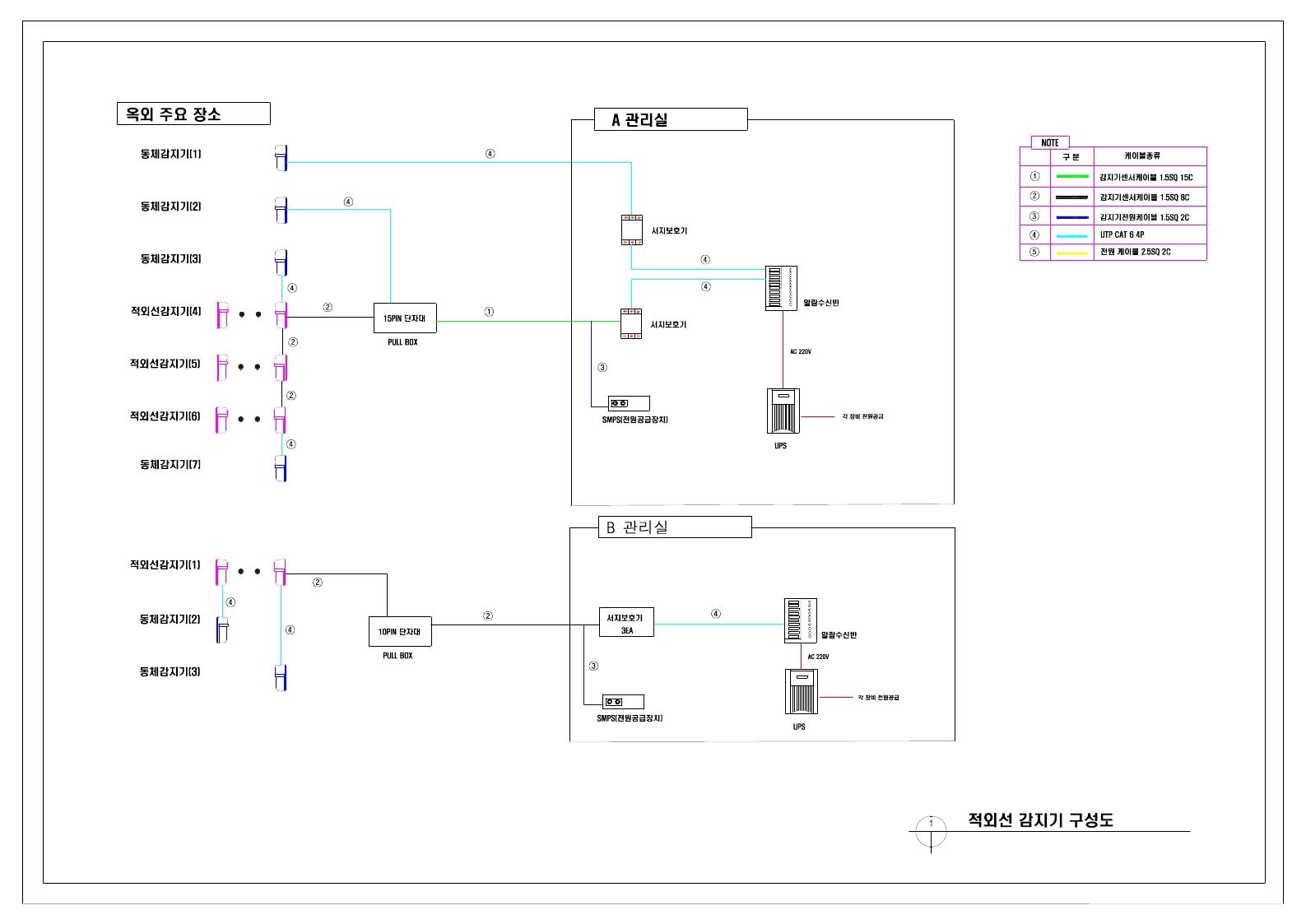
감지기설비
통합배선
TV설비
출입통제설비
[ 전기공사 ]
MCC 및 동력반설비
분전반설비
조명설비
접지단자반설비
[ 정보통신 유지보수 관리제도 ]
제도안내
■ 관련 근거
▸「정보통신공사업법」제37조의2 ~ 제37조의4
▸「정보통신공사업법 시행령」제37조의2, 제37조의3
▸「정보통신공사업법 시행규칙」제8조~제11조
▸「정보통신설비 유지보수·관리기준」
■ 유지보수·관리제도란?
정보통신설비의 고장 및 훼손 방치 문제를 예방하기 위해 관리주체가 건축물·시설물 등에 설치된
정보통신설비를 유지보수·관리하고 설비 운용에 필요한 성능을 점검하는 제도(시행일 : 2024.7.19.)
■ 대상 건축물 및 시설물
▸「건축법」 제2조제2항에 따른 용도별 건축물 중 연면적 5천제곱미터 이상의 건축물
▸「학교시설사업 촉진법」학교 시설 중 과학기술정보통신부장관이 정하여 고시하는 시설
※ 제외 대상 건축물, - 「건축법」 제2조제2항제2호에 따른 공동주택, - 「학교시설사업 촉진법」 제2조제1호에 따른 학교시설
※ 시행 유예기한
유예기간까지는 법 제37조의2제1항에 따른 유지보수·관리기준을 준수하고, 법 제37조의4제2항에
따른 유지보수·관리자를 선임한 것으로 봄
■ 대상설비
■ 관리주체 의무사항
▸ 계획 수립 및 구비서류
1. 매년 점검 대상설비에 대한 유지보수·관리 및 성능점검 계획 수립
2. 유지보수·관리 등을 위한 자료* 구비(시행일 기준 기존 건축물 제외)
⦁ 정보통신설비 준공도면
⦁ 정보통신공사 설치 현황표
※ 시행일 기준, 기존 건축물은 구비한 것으로 봄
3. 정보통신설비 설치 현황표 작성, 비치 및 현행화
▸ 업무별 의무사항
■ 과태료
▸ 유지보수‧관리기준을 준수하지 아니한 경우 : 300만원
▸ 점검기록을 작성하지 아니하거나 거짓으로 작성한 경우 : 300만원
▸ 점검기록을 보존하지 아니한 경우 : 150만원
▸ 점검기록을 특별자치시장‧특별자치도지사‧시장‧군수‧구청장에게 제출하지 아니한 자 : 100만원
■ 문의사항 연락처
| 구분 | 유예기한 |
|---|---|
| ➀ 연면적 3만㎡ 이상 건축물 | 2025. 7. 18. |
| ➁ 연면적1만㎡이상 ~ 3만㎡미만의 건축물 | 2026. 7. 18. |
| ➂ 연면적5천㎡이상 ~ 1만㎡미만의 건축물 | 2027. 7. 18. |
| 구분 | 대상설비 |
|---|---|
| 통신설비(8개 설비) | 케이블설비, 배관설비, 국선인입설비, 단자함설비, 이동통신구내선로설비, 전화설비, 방송 공동수신 안테나 시설,종합유선방송 구내전송선로설비 |
| 방송설비(1개 설비) | 방송음향설비 |
| 정보설비(23개 설비) | 네트워크설비, 전자출입(통제)시스템, 원격검침시스템, 주차관제시스템, 주차유도시스템, 무인택배시스템, 비상벨설비, 영상정보처리기기시스템, 홈네트워크 설비,빌딩안내시스템(BIS), 전기시계시스템, 통합 SI시스템, 시설관리시스템, 건물에너지관리시스템(BEMS), 지능형 인원계수 시스템,지능형 경계 감시 시스템, 스마트 병원 설비, 스마트 도난방지 시스템,스마트 공장 시스템, 스마트 도서관 시스템, 지능형 이상음원시스템, IoT기반 지하공간 안전관리 시스템, 디지털 사이니지 |
| 기타설비(2개 설비) | 통신용 전원설비, 통신접지설비 |
| 구분 | 유지보수·관리 | 성능점검 |
|---|---|---|
| 관리방식 | 관리주체는 건축물등 규모별 선임기준에 맞춰 관리자 선임,※ 공사업자에게 관리위탁가능 | 관리주체가 성능점검을 직접 실시하는 경우, 규칙 별표1의 유지보수·관리자 선임기준을 준용하여 연면적 규모에 적합하게 고용하여 성능점검 실시,※ 공사업자, 용역업자에게 점검대행가능 |
| 검검주기 | 반기별 1회 | 매년1회 이상 |
| 점검사항 | ① 설비의 외관, 기능 및 안전 상태를 매년 주기적으로 점검 실시 | ① 정보통신설비 성능점검표 기록 및 보존 제출 |
| ② 점검결과를 반기별 1회 이상 정보통신설비 유지보수·관리 점검표에 기록 | ② 정보통신설비 성능점검표 요청 시 제출(지자체 요청시) | |
| 보존기간 | - | 5년 |
▸ 유지보수·관리제도 관련 법령 : 산업정책처 ☎ 02) 3488-6142 ~ 4
▸ 유지보수·관리제도 관련 고시 : 원가제도처 ☎ 02) 3488-6152 ~ 4
▸ 유지보수 관리제도 견적 문의 : ㈜케이아이티 ☎ 042) 621-0310
E-mail : keng7@daum.net
업체명: 주식회사 케이아이티 | 대표 : 최애자
사업자번호 : 198-87-00079 | 대표전화 : 042-621-0310
E-mail : keng7@daum.net |
주소 : 대전광역시 동구 송촌남로11번길 109(용전동)














